В чем разница?
Чтобы определить, что именно лучше установить в квартире, в доме или на даче, нужно понять суть работы обоих устройств.
Нагляднее всего отличие выключателя от переключателя показывает схема подключения.
При подключении классического одноклавишного выключателя прокладывается один ноль и одна фаза. Рубильник устанавливается на линию фазы и размыкает и замыкает ее по мере необходимости.
Двух- и трехклавишные модели подключаются аналогично. В итоге нажатием нужной клавиши, ток пускается по указанному кабелю, зажигая конкретный источник света.
Отличие выключателя от проходного переключателя в том, что у последнего на один контакт больше. Так у одноклавишных моделей будет соответственно не две, а три клеммы, а у двухклавишных шесть вместо четырех и т.д.
Ниже на схеме можно увидеть, чем переключатель отличается от выключателя (одноклавишный).
В этом случае фаза так и остается в единственном числе, а вот на участке между прерывателями прокладывается сразу два кабеля под ноль.
Получается, что у прерывателя нет фиксированных положений: «Вкл» и «Выкл». При каждом нажатии одной из клавиш (в любое положение) цепь замыкается, либо размыкается.
Работа схемы с 3 видами вык-лей – обычным, проходным и перекрёстным
Перекрёстный выключатель используется в системах управления светом из 3 и более мест. Называется прибор так потому, что при переключении он меняет местами подключение подходящих проводов к отходящим – крест накрест.
Посмотрите на рисунке на схему управления светом при помощи проходных и перекрёстных переключателей. В обычном приборе для управления светом из одного места есть два контакта. Их замыкание и размыкание включает и выключает светильник. Поэтому у клавиши управления есть обозначенные положения «включено» и «отключено» буквами или значками, а к устройству подходит два провода — один фазный, от сети и второй от лампы.
Система для управления светом из нескольких мест устроена иначе. В устройстве есть три контакта — 2 неподвижных, к которым подключаются отходящие провода, соединяющие переключатели и 1 подвижный. К нему подсоединяется провод, идущий к фазе или светильнику. Включённое положение схемы то, при котором оба прибора подключены к одному проводу, поэтому на клавишах отсутствует положение «включено».
Схема управления освещения с трех мест
Схема подключения двухклавишных устройств состоит их двух параллельных схем, по одной для каждой лампы. Они соединяются только на подключении подходящего провода на первом проходном выключателе.
Схема подключения двухклавишный выключателей
Разновидности проходных переключателей и условные обозначения на схемах
В зависимости от того, как и где планируется использование таких переключателей, применятся их соответствующие разновидности:
Для монтажа в толще стены и на ее поверхности – во втором случае чаще всего такие выключатели используют для открытой проводки в деревянных домах.
Провода к клеммам выключателя могут крепиться болтовым соединением или зажимами на пружинах. Второй вариант считается более предпочтительным, так как при его использовании со временем не ослабляется соединение.
С одного места можно включать несколько ламп – для этого делают двойные, тройные и т.д. модели выключателей.
Если есть необходимость включать освещение из трех и более точек, то к двум проходным надо дополнительно приобретать перекрестные (реверсивные) переключатели – по количеству мест, из которых надо будет включать освещение.
По типу управления не отличаются от обычных – могут быть клавишные, сенсорные или с пультом ДУ.
Все виды проходных выключателей на схемах рисуются одинаковыми схематическое обозначение – по сути, таким же как и для стандартных, но развернутым в обе стороны.
Преимущества установки проходного выключателя
Проходные выключатели позволяют управлять освещением помещения из двух или более мест, что является бесспорным удобством. Это особенно ценно для домов в несколько этажей с лестничными пролетами. Здесь можно установить первый переключатель на первом этаже, а следующий на втором, что позволит включить свет внизу и выключить наверху.

Особенно актуально применение проходных выключателей для управления освещением лестничных пролетов
Хорошим решением является установка одного переключателя у входа в спальню, а второго возле изголовья кровати, что позволит зайти, включить свет, приготовиться ко сну, лечь и выключить освещение. Также целесообразно монтировать выключатели при входе в дом или квартиру и в конце коридора.
Проходные выключатели обладают существенными преимуществами по сравнению с обычными устройствами:
- высокая надежность и безопасность эксплуатации;
- мгновенное отключение электроснабжения помещения при необходимости из любой точки;
- оптимальное расходование электроэнергии;
- низкая себестоимость;
- простая установка, не требующая привлечения специалистов;
- отсутствие сложных настроек.

Наличие проходных выключателей позволяет включить светильники внизу одним выключателем, а поднявшись по лестнице выключить другим
Виды и типы выключателей
Выключатели разделяются: по типу, виду, каждый тип имеет свои способы применения. И вот как раз в таблице ниже, мы видим их подразделение по степени защиты.
На данный момент широко используемся международная система защиты (International Protection) IP. После этих букв указывается две цифры и необязательная буква.
Степени защиты выключателей
Первая цифра показывает, что существует защищенность изделия от попадания в него посторонних предметов. Эти предметы имеют любой размер, вплоть до размера частиц пыли. Второй цифрой обычно обозначается степень защищенности от влаги. Она имеет корреляционную зависимость: чем больше цифры – тем выше степень. Выключатели различаются по способу коммутации — могут быть с винтовыми или безвинтовыми зажимами. В случае с винтовыми зажимами, провода зажимаются между пластин при помощи винта. Однако есть один минус в данном соединение — со временем большая вероятность ослабления контакта, по-этому периодически приходится подкручивать винты. Безвинтовой зажим делает работу по монтажу значительно проще и за счет конструкции механизма, обеспечивается надежный контакт провода с токопроводящей арматурой.
Коммутаторы клавишного типа
Коммутаторы состоят из закрепленных внутри корпуса контактов и качающегося механизма, поджатого пружиной. Клавишные коммутаторы, можно подразделить на две вариации:
Типы выключателей
- С использованием шарика который при нажатии на клавишу начинает двигаться по качающемуся коромыслу. Проходя ось, он перекатывается по плечу коромысла, тем самым передвигая механизм с контактами в другую противоположную сторону.
- Тип выключателя с использованием подпружинной рамки. Поскольку она имеет возможность качаться на своей оси, то тем самым разрывает либо создает электрический контакт.
Вне зависимости от типа устройств включение-выключение оборудования производится нажатием на клавишу. Такие коммутаторы, при правильной эксплуатации, характеризуются длительным сроком службы в пределах нескольких десятков лет. Да и стоимость их невелика. На рынке можно встретить конструкции разного вида: есть более легкие, есть более сложные — когда на одном основании закреплены две и более клавиш.
Коммутаторы шнурового типа
Такой вариант эпохи прошлого века идеально подходит для бра, настольных ламп и прочих светильников. Поскольку их основной особенностью является наличие прочного шнурка, который выходит из корпуса выключателя. Собственно включение-выключение данного предмета происходит именно за счет этого шнурка. Закрепленный на рычаге, он, в свою очередь, взаимодействует с двигающейся контактной колодкой. Отпуская шнурок, тем самым вы производите распрямление , закрепленной в корпусе пружины и колодка возвращается на прежнее место. Необычность данного типа проявляется в модификации — управления двумя и более лампочками. Они реагируют на количество натяжений шнурка.
При первом натяжении — включается один из осветительных блоков, при втором — следующий и так далее. Выключение происходит в обратном порядке.
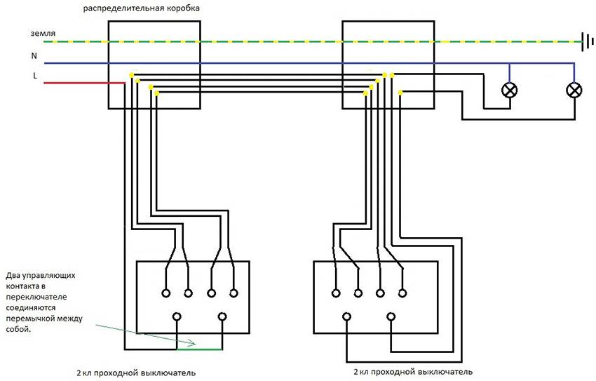
Схема подключения проходного выключателя с 2х мест
Схема проходного выключателя с двух мест выполняется при помощи двух проходных одноклавишных устройств, которые работают только в паре. У каждого из них на месте входа есть один контакт, а на месте выхода – пара.
Перед тем как подключить проходной выключатель, схема подключения наглядно отображает все этапы, следует обесточить помещение при помощи соответствующего выключателя, находящегося в щите управления. После чего необходимо дополнительно проверить отсутствие напряжения во всех проводах выключателя. Для этого следует использовать специальную отвертку.
Для выполнения работ понадобится: плоская, крестовая и индикаторная отвертки, нож, бокорезы, уровень, рулетка и перфоратор. Для установки выключателей и прокладки проводов в стенах помещения следует выполнить соответствующие отверстия и штробы, согласно плану расположения приборов.
В отличие от обычных выключателей, проходные переключатели имеют не два, а три контакта и могут переключать «фазу» с первого контакта – на второй или третий
Прокладывать провода необходимо на расстоянии не менее 15 см от потолка. Они могут располагаться не только скрытым способом, но и быть уложены в лотки или короба. Такой монтаж дает возможность быстрого выполнения ремонтных работ в случае повреждения кабеля. Концы проводов обязательно заводятся в монтажные коробки, в которых также выполняются все соединения с помощью контакторов.
Порядок установки проходных выключателей на 2 точки: схема подключения
Все действия по установке коммутирующих устройств выполняются на основании схемы подключения из 2 мест проходных выключателей, которую можно найти в интернете. Она отличается от монтажа обычных выключателей, поскольку здесь присутствуют три провода вместо двух привычных. В этом случае два провода применяются в качестве перемычки между двумя выключателями, расположенными в разных местах помещения, а третий используется для подачи фазы.
В качестве источника освещения в такой схеме могут использоваться любые типы ламп – от обычных ламп накаливания до люминисцентных, энергосберегающих и светодиодных
К распределительной коробке должно подходить пять проводов: питающий от автомата, три кабеля, идущих на выключатели, и подключаемый провод, направленный к осветительному прибору. При построении схемы подключения одноклавишного проходного выключателя используются трехжильные кабеля. Провод «ноль» и заземление выводятся непосредственно на источник света. Коричневый провод фазы, который поставляет ток, проходит через выключатели, согласно схеме, и выводится на лампу освещения.
Переключатели подсоединяются в разрыве фазного провода, а нуль, пройдя распределительную коробку, направлен на осветительный прибор. Пропуск фазы через выключатель обеспечит безопасность во время ремонта и обслуживания светильника.
Установка проходного выключателя состоит из такой последовательности действий:
- выполняется зачистка концов проводов от изоляции;
- при помощи индикатора необходимо определить фазовый провод;
- при помощи скрутки фазовый провод следует соединить с одним из проводов на первом выключателе (здесь задействуют провода белого или красного цвета);
- выполняется соединение проводами между собой нулевых клемм переключателей;
- подключение отдельного провода второго выключателя к светильнику;
- в распределительной коробке провод от светильника соединяется с нулевым проводом;
При установке проходных выключателей самостоятельно, необходимо позаботиться о технике безопасности
Подробности вопроса
Подключение переключателя
При помощи щупов на тестере следует попеременно касаться всех контактов и искать тот, на котором тестер начнет «пищать» или покажет «0» при любых положениях клавиши ВКЛ и ВЫКЛ. все куда проще сделать при помощи индикаторной отвертки. После того, как будет найдена общая клемма, на нее следует подключить фазу с кабеля питания. На остальные клеммы стоит присоединить два остальные провода. Причем какой из них куда пойдет не имеет значения. Выключатель следует собрать и закрепить в подрозетнике. Это один из этапов подключения проходного выключателя. Со вторым следует проделать все то же самое – найти общую клемму, подключить на нее проводник фазного типа, который будет идти на осветительный прибор и на оставшиеся подсоединить другие жилы.
Схема подключения выключателя проходного типа в распределительной коробке
Теперь самое главное, это правильно выполнить сборку схемы в распределительной коробке. В нее должны входить четыре трехжильных кабеля:
- Питание с автомата освещения распределительного щита.
- Кабель на первый переключатель и на второй.
- Кабель на люстру или другой осветительный прибор.
При подключении проводов удобнее ориентироваться по цветной маркировке. Если будет трехжильный кабель ВВГ, то у нее самыми распространенными цветами является белый/серый (это фаза), синий («ноль») и желто-зеленый (это земля). Есть и другой вариант – фаза белая/серая, «ноль» коричневый, а земля черная. Начинается сборка с нулевых проводников. Требуется соединить нулевую жилу с кабеля вводного автомата и ноль, который отходит на светильник в одну точку при помощи клемм ваго. Далее требуется соединить все заземляющие жилы, если у вас есть проводник для заземления. Аналогично, как и с нулевыми проводами, «землю» следует объединить с вводного кабеля с «землей» кабеля, который отходит на освещение. Этот провод нужно подключить к корпусу светильника.
Остается правильно и без ошибок выполнить подключение фазных проводников. Фазу с вводного кабеля следует присоединить к фазе уходящего провода на общую клемму первого переключателя. Общий же провод со второго переключателя следует при помощи отдельного зажима ваго соединить с фазной жилой провода на освещение. Когда все будет выполнено, останется лишь соединить между собой отходящие жилы с двух выключателей между собой, и при этом не играет роли, как именно вы будете их соединять. Допускается даже перепутать цвета, но все-таки лучше, если вы будете придерживаться расцветки, чтобы в будущем не запутаться. На этом можно считать, что схема полностью собрана, подать напряжение и проверить освещение.
Теперь стоит поговорить об управлении освещением при помощи новых выключателей.
Перекидные выключатели – управление с трех/четырех мест
Что же делать в том случае, когда вы хотите управлять одним освещением из трех или четырех точек? Тогда с цепи будет еще третий и четвертый переключатель. Казалось, требуется купить лишь еще один проходной элемент, но все не так просто. Здесь не подойдет выключатель с тремя клеммами, потому что соединяемых проводов в распределительной коробке будет четыре. Здесь очень кстати будет применение перекидного, или как его еще называют, крестового/промежуточного/перекрестного выключателя. Его ключевое отличие состоит в том, что у него четыре выхода – два снизу и столько же сверху. Его устанавливают как раз в промежутке между двумя проходными. Начать стоит с распаечной коробки, в ней следует найти два второстепенных провода от второго и первого переключателя. Нужно рассоединить их и подключить между ними перекидной шнур. Те провода, что расположены с первого, подключите на вход, а те, что идут на второй – к клеммам выхода. Схему подключения проходного выключателя следует всегда проверять, потому что часто бывает так, что выход и вход у них расположен на одной стороне.
Как выглядит и работатет проходной выключатель
Если говорить о лицевой стороне, то отличие единственное: едва заметная стрелочка на клавише вверх и вниз.

Как выглядит проходной одноклавишный выключатель. Видите, есть двойные стрелочки
Если говорить об электрической схеме, все тоже просто: в обычных выключателях только два контакта, в проходных (еще называют перекидными) три контакта, два из которых — общие. В схеме приличествуют всегда два или больше таких устройства, вот при помощи этих общих проводов они и коммутируются.

Разница — в количестве контактов
Принцип работы прост. Изменением положения клавиши вход подключается к одному из выходов. То есть у этих устройств только два рабочих положения:
Никаких других промежуточных положений нет. Благодаря этому все и работает. Так как контакт переключается из одного положения в другое, электрики считают, что правильнее их называть «переключатели». Так что проходной переключатель — это тоже это устройство.
Чтобы не полагаться на наличие или отсутствие стрелочек на клавишах, нужно осмотреть контактную часть. На фирменных изделиях должна быть нанесена схема, позволяющая понять, какого типа оборудование у вас в руках. Она точно есть на изделиях фирм Lezard (Лезард), Legrand (Легранд), Viko (Вико). На китайских экземплярах они часто отсутствуют.

Так выглядит перекидной выключатель с тыла
Если такой схемы нет, смотрите на клеммы (медные контакты в отверстиях): их должно быть три. Но далеко не всегда на недорогих экземплярах та клемма, что стоит одна — это вход. Часто они перепутаны. Чтобы найти где же находится общий контакт, необходимо прозвонить контакты между собой при разных положениях клавиши. Сделать это обязательно, иначе ничего работать не будет, а само устройство может сгореть.
Вам нужен будет тестер или мультиметр. Если есть мультиметр, переводите его в режим звука — он пищит при наличии контакта. Если в наличии стрелочный тестер, прозваниваете на короткое замыкание. Ставите щуп на один из контактов, находите с каким из двух он звонится (прибор пищит или стрелка показывает КЗ — отклоняется вправо до упора). Не меняя положение щупов, изменяете положение клавиши. Если КЗ пропало, один из этих двух — общий. Теперь осталось проверить который. Не переключая клавишу передвигаете один из щупов на другой контакт. Если есть КЗ, то тот контакт, с которого щуп не двигали и есть общий (это вход).
Известные производители проходных переключателей
Компания Легранд занимает лидирующую позицию на рынке электротоваров. Востребованность проходных выключателей Legrand обусловлена высоким качеством исполнения изделий, простотой монтажа, удобствами в дальнейшей эксплуатации, стильным дизайном и гибкой ценовой политикой. Единственным недостатком является необходимость в подгонке установочного места. Если оно не будет совпадать с изделием, могут возникнуть трудности при его монтаже, который выполняется согласно схеме подключения проходного выключателя Легранд.
Проходные переключатели фирмы Legrand
Дочерним предприятием Легранд является китайская компания Lezard. Однако от родного бренда у изделий остался лишь стильный дизайн. Качество сборки намного ниже, что обусловлено низкой стоимостью продукции.
Одним из ведущих отечественных производителей электротоваров считается компания Wessen, которая является частью фирмы Schneider Electric. Все изделия изготавливаются по новейшим технологиям на современном зарубежном оборудовании и соответствуют европейским стандартам качества. Модели обладают универсальным стильным дизайном, позволяющим вписать каждый элемент в любой интерьер помещения. Отличительной чертой выключателей Wessen является возможность замены декоративной рамки без демонтажа устройства.
Еще одним не менее известным производителем является турецкая компания Viko. Изделия характеризуются высоким качеством исполнения, надежностью и долговечностью, соответствуют требованиям электробезопасности и европейским стандартам качества. При изготовлении корпуса устройства применяется пожаробезопасный прочный пластик, который рассчитан на большое количество циклов работы.
У проходного выключателя, в отличие от обычного, три проводимых провода
Турецкий бренд Makel предлагает качественную, надежную, безопасную и стильную продукцию. Благодаря возможности подключения шлейфа без надобности задействования распределительной коробки, монтаж выключателей становится более простым, а дальнейшая эксплуатация – комфортной и безопасной.
Общая информация
Когда может быть неудобна классическая схема:
- На лестничных площадках, когда освещение включается только внизу на весь подъезд, или на каждой площадке отдельно для данного этажа.
- В длинных коридорах с двумя выходами. Если включить свет при входе, пройти насквозь коридор и выйти, свет останется гореть впустую. За сутки расход электроэнергии станет непомерно высоким.
- Для внешних фонарей у входа в здание. Часто бывает, что освещением крыльца можно управлять непосредственно от входа в здание. То есть, для того, чтобы включить фонарь в темное время суток, приходится идти до выключателя в темноте. Если же человек вошел в дом и зажег свет, ему придется или оставлять его на всю ночь, или выключать за собой и подниматься в квартиру впотьмах.
- В проходных помещениях. Если даже квартира невелика, встречаются ситуации, когда человек входит в одну комнату, включает электроосвещение. Проходит в следующую, включает лампу там и идет обратно, в первое помещение, чтобы выключить электросветильники, ставшие уже не нужными. Гораздо удобнее будет провести дублирующую клавишу управления в дальнюю комнату.
- У изголовья кровати, чтобы выключать верхнюю люстру. Бывают случаи, когда в спальне включено малое освещение – ночник или бра, и приходится вставать с кровати и идти выключать верхний свет. Чтобы этого избежать, можно установить дополнительный электровыключатель на люстру поблизости от кровати.
Управление осветительным прибором с нескольких точек
Существует несколько схем, которые позволяют выполнить монтаж переключателя в разных точках комнаты. Простейшая схема предполагает расположение выключателей по сторонам в одной линии. Если требуется организовать несколько мест, то уже придется спроектировать сложную схему электропроводки. Тем не менее, даже начинающий мастер при желании разберется с таким процессом.
Пример установки светильника, с управлением из разных точек
Здесь главное не перепутать расположение жил проводников, тогда проблем с подключением не возникнет.
Если с использованием выключателя проходного типа планируется управлять светильником при наличии нескольких лампочек, то уже схема монтажа усложняется. Ведь тогда придется установить многоклавишные устройства, где имеется больше зажимов.
Способ №2. Одноклавишный переключатель
Если вы беретесь переделывать двухклавишный выключатель в одноклавишный переключатель с конструктивным изменением положения клемм, желательно использовать два коммутатора одного типа или хотя бы схожие по конструкции и размеру
Обязательно обратите внимание, позволяет ли конструкция развернуть подвижную контактную группу выключателя таким образом, чтобы в первом положении они замыкали один контакт, а во втором противоположный
Порядок изготовления проходного выключателя с одной клавишей заключается в следующем:
- Перед выполнением монтажных работ обязательно отключите электропитание на соответствующем участке цепи. Если вы отключаете только один автомат, обязательно проверьте отсутствие напряжение индикатором.
- Если вы собираетесь снять действующий выключатель из коробки, сначала снимите фальшпанель и удалите фиксаторы. Затем ослабьте узлы крепления в коробке, достаньте сердцевину. Открутите провода подключения и удалите коммутатор из цепи освещения.
- Если вы используете новый выключатель, можете пропустить предыдущий пункт. Тогда сразу переходите к демонтажу электрических контактов с полимерного или керамического основания.
- При помощи отвертки разберите устройство, отделите металлические пластины – перекидные контакты.
Рис. 3. Разберите выключатель
В зависимости от конструкции выключателя вам понадобится открутить болты, вытянуть пружины из станины или расцепить замок.
На керамическом или полимерном основании расположены неподвижные контакты. Одни из них потребуется развернуть на 180°, чтобы при переключении клавиши замыкался второй контакт.
Рис. 4: разверните один из контактов
Но такая манипуляция возможна не на всех коммутаторах, в некоторых вариациях придется доработать контакты – припаять дополнительную шину, чтобы удлинить ламели. Поэтому в каждой модели нужно детально разобраться.
На вводе фазного провода установите перемычку, чтобы приравнять потенциал на обеих клеммах.
Рис. 5: установите перемычку
- Ту же процедуру повторите со вторым выключателем, чтобы получились два проходных. Соберите все элементы в обратной последовательности, но вместо двух клавиш установите одну, которая по габаритам сможет свободно двигаться на имеющемся креплении.
- Установите оба переключателя в коробки под них. От выходных клемм одного подключите провода к аналогичным контактам другого. Пары контактов должны соединяться отдельными проводами.
Перед вводом в работу, желательно проверить качество замыкания при переключении. Для этого прозвоните цепь на обе пары контактов — у вас должно получиться практически нулевое сопротивление в обоих вариантах.
В противном случае клавиша одного из проходных выключателей неплотно прилегает в определенном положении, соответственно, выключатель нужно будет перебрать и устранить неполадку. Если вы планируете прокладывать проводку, актуально использовать трехжильный провод таким будет гораздо удобнее работать.
Чтобы получить возможность управления светильником из разных комнат, или разных точек одной большой комнаты, к примеру коридора, применяют переключатели, т.е. проходные выключатели.
Домашний мастер без особых затруднений справится с монтажом устройства. Его можно приобрести в готовом виде, мы рассмотрим, как сделать проходной выключатель из обычного, что потребуется в процессе работы.
Диммеры (выключатели с регулятором)
Представляют собой некое подобие реостата, который знаком большинству из нас по школьным урокам физики. Диммер работает по этому же принципу. Реостат изменяет сопротивление электрической цепи, а значит, и силу тока в ней. Выше сопротивление — меньше сила тока. Чем меньше сила тока, тем тусклее горит лампочка, включенная в электрическую цепь. С помощью таких выключателей можно регулировать интенсивность освещения поворотом управляющего колесика.
Плюс диммеров в экономии энергии (некоторые устройства даже самостоятельно отключаются, когда в комнате никого нет) и простоте использования. Но есть и минус: из-за высокой стоимости не все могут позволить себе такие выключатели. На заметку: диммеры отлично работают с лампами накаливания, но с модными в последнее время светодиодными светильниками и лампами могут конфликтовать и функционировать некорректно.
Сравнение
В отличие от выключателя, где происходит просто прерывание электрической цепи, при нажатии на клавишу переключателя осуществляется коммутация с одного на другой контакт. И вместо прерывания электрической цепи происходит перекидывание контактов, и создание новой цепи (поэтому переключатели называют ещё перекидными выключателями). Эта особенность позволяет с помощью переключателя манипулировать одним и тем же источником света из разных точек. Систему, состоящую из нескольких переключателей (перекидных выключателей), называют проходным выключателем.
Переключатель EMAS (3 позиции)




































